How Would You Draw This
Moderators: Jason Susnjara, Larry Epplin, Clint Buechlein, Scott G Vaal, Jason Susnjara, Larry Epplin, Clint Buechlein, Scott G Vaal
-
Terry Hall
- Senior Member
- Posts: 218
- Joined: Thu, May 19 2005, 10:24AM
How Would You Draw This
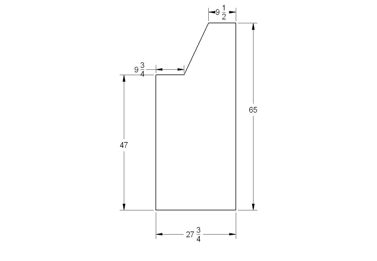
I can usually figure out how to draw some unusual pieces using Ecabs parts editor, however I can't seem to get this one. This is the side of a cabinet that will go under a stairway and I'd really like to figure out how to CNC it, cut the dadoes, etc. I do have Draftsite, but haven't actually used it, so I don't have a lot of experience with DXF's like I know some of you folks do. Any help would be appreciated, thanks.
- Brad McIntosh
- Guru Member
- Posts: 539
- Joined: Wed, May 18 2005, 6:59PM
- Company Name: CNC Automation
- Country: CANADA
- Location: St. Zotique, Québec, Canada
- Contact:
Re: How Would You Draw This
Terry..
Is the 65" side the FRONT?
Is the 65" side the FRONT?
-
Terry Hall
- Senior Member
- Posts: 218
- Joined: Thu, May 19 2005, 10:24AM
Re: How Would You Draw This
Yes it is Brad, thank you.
-
Dennis Englert
Re: How Would You Draw This
Terry,
I've attached a cabinet with both sides drawn per your example.
Everything is done in the Part Editor. There is a series of videos in our Online Training Program with regards to the Part Editor and Constraint Manager that would be very beneficial.
In the Part Editor>Contour Mode, I Created Edges. Then used the Offset command to offset several lines to create construction lines. Trimmed the construction lines so that I had end points located at the beginning and end of the angled line. Then connected a line between the end points of the angle. I erased the extra lines and created a closed contour by adding lines. From there, I cut that corner out. You can duplicate the effort on the second side or you can Create Edges from the first side and create the part.
Dennis
I've attached a cabinet with both sides drawn per your example.
Everything is done in the Part Editor. There is a series of videos in our Online Training Program with regards to the Part Editor and Constraint Manager that would be very beneficial.
In the Part Editor>Contour Mode, I Created Edges. Then used the Offset command to offset several lines to create construction lines. Trimmed the construction lines so that I had end points located at the beginning and end of the angled line. Then connected a line between the end points of the angle. I erased the extra lines and created a closed contour by adding lines. From there, I cut that corner out. You can duplicate the effort on the second side or you can Create Edges from the first side and create the part.
Dennis
- Attachments
-
- Terry Hall.jpg (9.59 KiB) Viewed 6801 times
-
- Terry Hall.hsf
- (270.02 KiB) Downloaded 408 times
-
Terry Hall
- Senior Member
- Posts: 218
- Joined: Thu, May 19 2005, 10:24AM
Re: How Would You Draw This
Thanks Dennis, I'm going to work on it. I may look at the video sometime, but I've got three kitchens and this cabinet to do first. Thanks
-
Terry Hall
- Senior Member
- Posts: 218
- Joined: Thu, May 19 2005, 10:24AM
Re: How Would You Draw This
Dennis, your sides are perfect and if I could turn the cabinet around, making the back the front and vice versa, add a face frame, drawers and doors it would work perfectly for me. Is there an easy way to reverse the cabinet? Thanks
-
Dennis Englert
Re: How Would You Draw This
Terry,
When I drew the pattern for the first cabinet, I saved the geometry in the Part Editor. Then I could use that to mirror the other side. I'm attaching a cabinet with everything reversed. Again, I used the pattern that I created the other day.
Dennis
When I drew the pattern for the first cabinet, I saved the geometry in the Part Editor. Then I could use that to mirror the other side. I'm attaching a cabinet with everything reversed. Again, I used the pattern that I created the other day.
Dennis
- Attachments
-
- Terry Hall-Reversed.jpg (9.49 KiB) Viewed 6761 times
-
- Terry Hall-Reversed.hsf
- (238.02 KiB) Downloaded 411 times